| name | Khartoum New International Airport (KNIA) Planung Hydrantenbetankungsanlage |
| bauherr | Project Implementation Unit for KNIA, Khartum (Sudan) |
| generalplaner | Dorsch Consult Airports, München |
| ort | Khartum (Sudan) |
| dauer | beginn oktober 2003 |
Der Flughafen Khartum befindet sich in unmittelbarer Nähe zum Stadtzentrum und stellt ein permanentes Sicherheitsrisiko dar. Erweiterungsmöglichkeiten für den Flughafen bestehen nicht und für die wachsende Millionenstadt sind zentrumsnahem Entwicklungsflächen erforderlich.
Staatspräsident und KNIA Project Implementation Unit planen einen neuen Flughafen für 6.5 Mio. Passagiere pro Jahr, etwa 40 km südlich von Khartum.

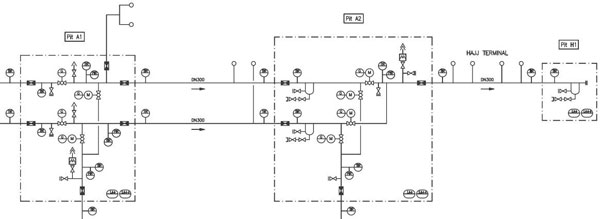
R+I fließbild treibstoffversorgung, detail hauptleitung
leistungen
Treibstoffrelevante Beiträge zur Standortfindung
Masterplan, Entwurfsplanung, Spezifikationen für Hydrantenflugzeugbetankungsanlage
Koordination mit Masterplan, Entwurf, Spezifikationen für Treibstofflager
Funktionalausschreibung (EPC – Engineering, Procurement, Construction) + Angebotsauswertung entsprechend FIDIC “silver book”