| name | Paguthan NTPC Jhanore Erdgas-Pipeline |
| bauherr | Gujarat State Petronet Ltd. (Indien) |
| generalplaner | Dorsch Consult, München |
| ort | Gujarat Provinz (Indien) |
| dauer | beginn januar 2003 ende mai 2003 |
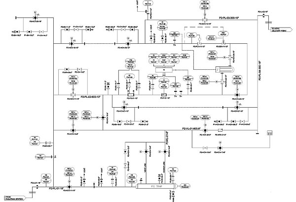
Um die Stromkapazität im NTPC Jhanore Kraftwerk zu erhöhen wurde die Paguthan NPTC Jhanore Pipeline, Druckstufe 10 MPa (1,450 PSI) geplant.
Bestandteil war eine Molchsende- und –empfangsstation, Meßstation und Streckenabsperrstationen.

R+I Fließbild Molchstation
leistungen
Leitung des Detailplanungspaketes: